csde

Site design

sd_str
Reference

Před výstavbou nové nebo modernizaci stávající sítě provedu:

  • zaměření na vysílači vč. fotodokumentace
  • předběžný návrh umístění technologie dle RF plánu
  • ověření únosnosti konstrukcí dle původního statického výpočtu
  • zpracování výpočtů elektromag. Pole pro krajské hygienické stanice
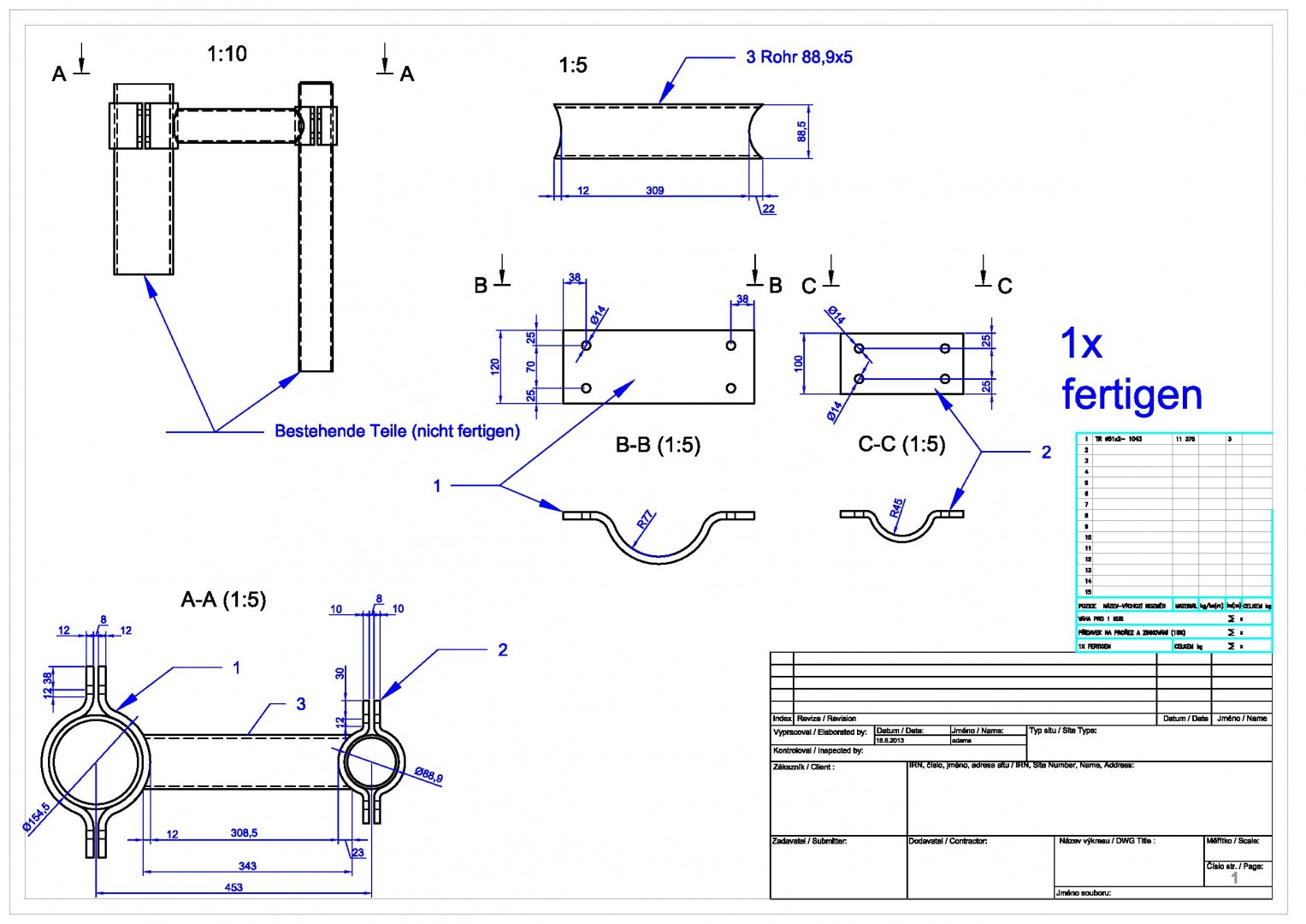
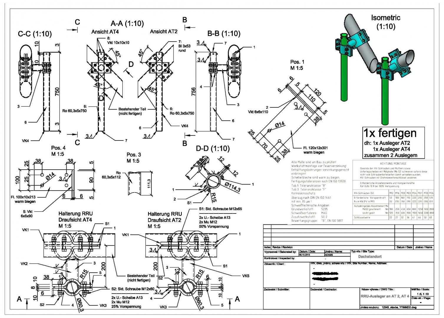
  • výrobní dokumentaci pro stavební subdodavatele
  • projekční dokumentaci pro mobilní operátory
sd_strIMG_2539.JPGLB_ok_nicht machen3489H_WZ01_2013_10_09 A3 (1)_detail3489H_WZ01_2013_10_09 A3 (1)H_MGA01445922A_1.JPGStahlbau Popens_1-page-001